Operation Philosophy and Interlocking Design

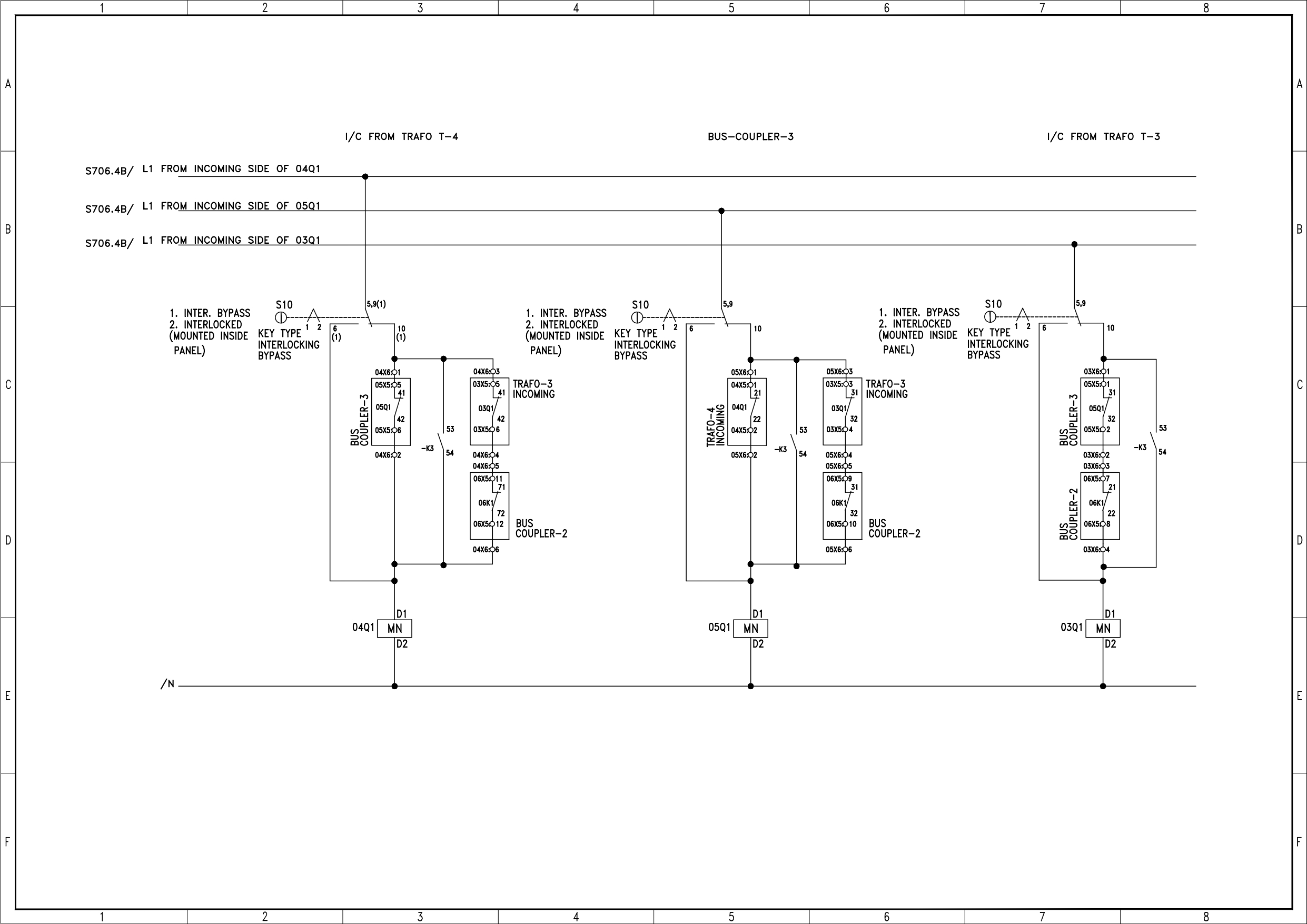
This project focused on the operation philosophy and interlocking design for LV bus couplers, ensuring smooth operation and safety across multiple transformers. The operation philosophy table clearly defined the conditions and ON/OFF status for each transformer and bus coupler, maintaining system integrity during transitions.

Developed a detailed operation philosophy table for bus coupler and transformer synchronization.

Developed a detailed operation philosophy table for bus coupler and transformer synchronization.

Designed interlocking circuits to ensure safe and reliable LV system operations. Created feeder panel schematics outlining wiring and control systems.

Outcome

The project delivered a clear and safe operational strategy for LV bus couplers, enhancing system reliability and safety.

Project information

  • Category System Protection & Interlocking Design
  • Client Ibrahim Fibers Limited